1. 實驗任務
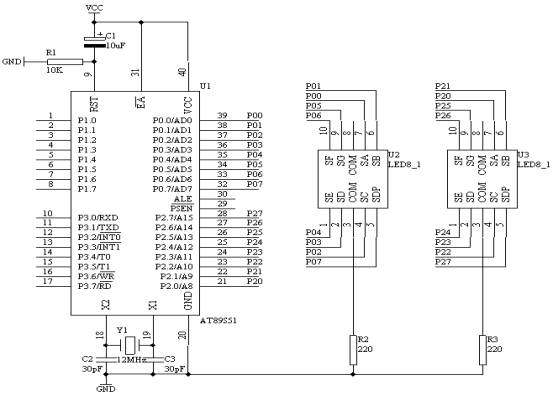
如下圖所示,在AT89S51單片機的P0和P2端口分別接有兩個共陰數碼管,P0口驅動顯示秒時間的十位,而P2口驅動顯示秒時間的個位。
2. 電路原理圖
圖4.11.1
3. 系統板上硬件連線
(1. 把“單片機系統”區域中的P0.0/AD0-P0.7/AD7端口用8芯排線連接到“四路靜態數碼顯示模塊”區域中的任一個a-h端口上;要求:P0.0/AD0對應著a,P0.1/AD1對應著b,……,P0.7/AD7對應著h。
(2. 把“單片機系統”區域中的P2.0/A8-P2.7/A15端口用8芯排線連接到“四路靜態數碼顯示模塊”區域中的任一個a-h端口上;要求:P2.0/A8對應著a,P2.1/A9對應著b,……,P2.7/A15對應著h。
4. 程序設計內容
(1. 在設計過程中我們用一個存儲單元作為秒計數單元,當一秒鐘到來時,就讓秒計數單元加1,當秒計數達到60時,就自動返回到0,從新秒計數。
(2. 對于秒計數單元中的數據要把它十位數和個數分開,方法仍采用對10整除和對10求余。
(3. 在數碼上顯示,仍通過查表的方式完成。
(4. 一秒時間的產生在這里我們采用軟件精確延時的方法來完成,經過精確計算得到1秒時間為1.002秒。
DELY1S: MOV R5,#100
D2: MOV R6,#20
D1: MOV R7,#248
DJNZ R7,$
DJNZ R6,D1
RET
5. 程序框圖
圖4.11.2
6. 匯編源程序
Second EQU 30H
ORG 0
START: MOV Second,#00H
NEXT: MOV A,Second
MOV B,#10
DIV AB
MOV DPTR,#TABLE
MOVC A,@A+DPTR
MOV P0,A
MOV A,B
MOVC A,@A+DPTR
MOV P2,A
LCALL DELY1S
INC Second
MOV A,Second
CJNE A,#60,NEXT
LJMP START
DELY1S: MOV R5,#100
D2: MOV R6,#20
D1: MOV R7,#248
DJNZ R7,$
DJNZ R6,D1
DJNZ R5,D2
RET
TABLE: DB 3FH,06H,5BH,4FH,66H,6DH,7DH,07H,7FH,6FH
END
7. C語言源程序
#include <AT89X51.H>
unsigned char code table[]={0x3f,0x06,0x5b,0x4f,0x66,
0x6d,0x7d,0x07,0x7f,0x6f};
unsigned char Second;
void delay1s(void)
{
unsigned char i,j,k;
for(k=100;k>0;k--)
for(i=20;i>0;i--)
for(j=248;j>0;j--);
}
void main(void)
{
Second=0;
P0=table[Second/10];
P2=table[Second];
while(1)
{
delay1s();
Second++;
if(Second==60)
{
Second=0;
}
P0=table[Second/10];
P2=table[Second];
}
}
用軟件延時實現00-59秒單片機計時器程序全部完畢,轉載請保留版權http://www.izizhuan.cn


