1.實驗任務
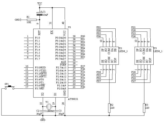
利用AT89S51單片機來制作一個手動計數器,在AT89S51單片機的P3.7管腳接一個輕觸開關,作為手動計數的按鈕,用單片機的P2.0-P2.7接一個共陰數碼管,作為00-99計數的個位數顯示,用單片機的P0.0-P0.7接一個共陰數碼管,作為00-99計數的十位數顯示;硬件電路圖如圖19所示。
2.電路原理圖
圖4.10.1
3.系統板上硬件連線
(1. 把“單片機系統”區域中的P0.0/AD0-P0.7/AD7端口用8芯排線連接到“四路靜態數碼顯示模塊”區域中的任一個a-h端口上;要求:P0.0/AD0對應著a,P0.1/AD1對應著b,……,P0.7/AD7對應著h。
(2. 把“單片機系統”區域中的P2.0/A8-P2.7/A15端口用8芯排線連接到“四路靜態數碼顯示模塊”區域中的任一個數碼管的a-h端口上;
(3. 把“單片機系統”區域中的P3.7/RD端口用導線連接到“獨立式鍵盤”區域中的SP1端口上;
4.程序設計內容
(1. 單片機對按鍵的識別的過程處理
(2. 單片機對正確識別的按鍵進行計數,計數滿時,又從零開始計數;
(3. 單片機對計的數值要進行數碼顯示,計得的數是十進數,含有十位和個位,我們要把十位和個位拆開分別送出這樣的十位和個位數值到對應的數碼管上顯示。如何拆開十位和個位我們可以把所計得的數值對10求余,即可個位數字,對10整除,即可得到十位數字了。
(4. 通過查表方式,分別顯示出個位和十位數字。
圖4.10.2
6.匯編源程序
Count EQU 30H
SP1 BIT P3.7
ORG 0
START: MOV Count,#00H
NEXT: MOV A,Count
MOV B,#10
DIV AB
MOV DPTR,#TABLE
MOVC A,@A+DPTR
MOV P0,A
MOV A,B
MOVC A,@A+DPTR
MOV P2,A
WT: JNB SP1,WT
WAIT: JB SP1,WAIT
LCALL DELY10MS
JB SP1,WAIT
INC Count
MOV A,Count
CJNE A,#100,NEXT
LJMP START
DELY10MS: MOV R6,#20
D1: MOV R7,#248
DJNZ R7,$
DJNZ R6,D1
RET
TABLE: DB 3FH,06H,5BH,4FH,66H,6DH,7DH,07H,7FH,6FH
END
7. C語言源程序
#include <AT89X51.H>
unsigned char code table[]={0x3f,0x06,0x5b,0x4f,0x66,
0x6d,0x7d,0x07,0x7f,0x6f};
unsigned char Count;
void delay10ms(void)
{
unsigned char i,j;
for(i=20;i>0;i--)
for(j=248;j>0;j--);
}
void main(void)
{
Count=0;
P0=table[Count/10];
P2=table[Count];
while(1)
{
if(P3_7==0)
{
delay10ms();
if(P3_7==0)
{
Count++;
if(Count==100)
{
Count=0;
}
P0=table[Count/10];
P2=table[Count];
while(P3_7==0);
}
}
}
}
單片機手動計數器制作全部程序已完畢,轉載必須保留本站版權http://www.izizhuan.cn


