1. 實驗任務
用AT89S51的定時/計數器T0產生2秒鐘的定時,每當2秒定時到來時,更換指示燈閃爍,每個指示閃爍的頻率為0.2秒,也就是說,開始L1指示燈以0.2秒的速率閃爍,當2秒定時到來之后,L2開始以0.2秒的速率閃爍,如此循環下去。0.2秒的閃爍速率也由定時/計數器T0來完成,也就是一個閃爍燈。
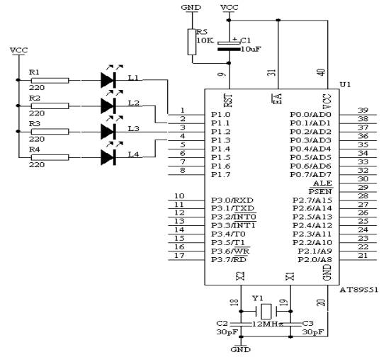
2. 電路原理圖
圖4.16.1
3. 系統板硬件連線
(1. 把“單片機系統”區域中的P1.0-P1.3用導線連接到“八路發光二極管指示模塊”區域中的L1-L4上
4. 程序設計內容
(1. 由于采用中斷方式來完成,因此,對于中斷源必須它的中斷入口地址,對于定時/計數器T0來說,中斷入口地址為000BH,因此在中斷入口地方加入長跳轉指令來執行中斷服務程序。書寫匯編源程序格式如下所示:
ORG 00H
LJMP START
ORG 0BH ;定時/計數器T0中斷入口地址
LJMP INT_T0
START: NOP ;主程序開始
.
.
INT_T0: PUSH ACC ;定時/計數器T0中斷服務程序
PUSH PSW
.
.
POP PSW
POP ACC
RETI ;中斷服務程序返回
END
(2. 定時2秒,采用16位定時50ms,共定時40次才可達到2秒,每50ms產生一中斷,定時的40次數在中斷服務程序中完成,同樣0.2秒的定時,需要4次才可達到0.2秒。對于中斷程序,在主程序中要對中斷開中斷。
(3. 由于每次2秒定時到時,L1-L4要交替閃爍。采用ID來號來識別。當ID=0時,L1在閃爍,當ID=1時,L2在閃爍;當ID=2時,L3在閃爍;當ID=3時,L4在閃爍
5. 程序框圖
T0中斷服務程序框圖
![]() |
|||||
![]() |
|||||
![]() |
|||||
主程序框圖
![]() |
|||
![]() |
|||
圖4.16.2
6. 匯編源程序
TCOUNT2S EQU 30H
TCNT02S EQU 31H
ID EQU 32H
ORG 00H
LJMP START
ORG 0BH
LJMP INT_T0
START: MOV TCOUNT2S,#00H
MOV TCNT02S,#00H
MOV ID,#00H
MOV TMOD,#01H
MOV TH0,#(65536-50000) / 256
MOV TL0,#(65536-50000) MOD 256
SETB TR0
SETB ET0
SETB EA
SJMP $
INT_T0: MOV TH0,#(65536-50000) / 256
MOV TL0,#(65536-50000) MOD 256
INC TCOUNT2S
MOV A,TCOUNT2S
CJNE A,#40,NEXT
MOV TCOUNT2S,#00H
INC ID
MOV A,ID
CJNE A,#04H,NEXT
MOV ID,#00H
NEXT: INC TCNT02S
MOV A,TCNT02S
CJNE A,#4,DONE
MOV TCNT02S,#00H
MOV A,ID
CJNE A,#00H,SID1
CPL P1.0
SJMP DONE
SID1: CJNE A,#01H,SID2
CPL P1.1
SJMP DONE
SID2: CJNE A,#02H,SID3
CPL P1.2
SJMP DONE
SID3: CJNE A,#03H,SID4
CPL P1.3
SID4: SJMP DONE
DONE: RETI
END
7. C語言源程序
#include <AT89X51.H>
unsigned char tcount2s;
unsigned char tcount02s;
unsigned char ID;
void main(void)
{
TMOD=0x01;
TH0=(65536-50000)/256;
TL0=(65536-50000)%6;
TR0=1;
ET0=1;
EA=1;
while(1);
}
void t0(void) interrupt 1 using 0
{
tcount2s++;
if(tcount2s==40)
{
tcount2s=0;
ID++;
if(ID==4)
{
ID=0;
}
}
tcount02s++;
if(tcount02s==4)
{
tcount02s=0;
switch(ID)
{
case 0:
P1_0=~P1_0;
break;
case 1:
P1_1=~P1_1;
break;
case 2:
P1_2=~P1_2;
break;
case 3:
P1_3=~P1_3;
break;
}
}





