圖一所示是一種最簡單的正、負電源獲取方法。電路非常簡單,成本也很低,僅需要4只二極管和2只電容即可完成整個功能,該電路的缺點是電流有限、電壓不穩定。為此需要對圖一的電路進行改進,以獲得更好的正、負電源獲取電路。
screen.width-333)this.width=screen.width-333" border=0>
字串4
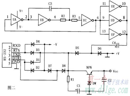
字串3 如圖二所示。在PC機通電啟動初始化串行口前,RS-232接口中RXD、RTS、DTR信號線電壓約為-11V,經由圖中二極管向六反相器UA~UF供電,反相器UA~UC和電阻R2、R3、電容C3組成振蕩器,經UD~UF驅動輸出方波。通過電容C4耦合和二極管整流至R1、C1、T1、DW、C2組成的電壓調整電路產生供給系統的Vcc電壓。初始化串行口后,RS-232接口中DTR、RTS信號線電壓轉換為約+11V,也經電壓調整電路產生Vcc電壓,為單片機電路提供電源。
點擊放大
字串5
注意PC機串行口本身不具備提供過大電流的能力,當從信號線上提取電流超過6mA時,信號線的電平將會下降許多,電流拾取過大還可能損害RS-232接口。遇到的問題及解決方法
許多單片機系統的正常工作電流不大,但往往啟動時電流遠大于正常工作電流,這種情況可能出現啟動時系統供電不足,導致單片機復位不良,從而造成單片機電路不能正常工作。
系統主要耗電大戶往往是單片機與存儲器,上電初始階段,單片機啟動電流較大,會使串行口提供的Vcc電壓有所降低,單片機不能很快進入正常工作狀態,而且此時程序存儲器的各端口引腳上的狀態也沒有達到穩定,從而吸入更多的電流,由此產生不良循環使電壓Vcc進一步下降,從而造成單片機不能正常復位啟動。
解決問題的方法一是增加單片機上電復位時間,使單片機能可靠自動復位;二是通過右圖所示的簡單電路來控制程序存儲器的選通時間。在上電初始階段,由于R2、C1的充電過程,使得三極管V1的集電極輸出YCS=“1”,使程序存儲器選通失效。當R2、C1充電延遲一段時間后,YCS由“l”變“0”,程序存儲器進入選通狀態,從而避免了由于單片機外圍電路上電時吸收電流過大而造成的非正常工作狀態。實踐證明,該方法行之有效。
.3開關管控制信號發生電路
為了精確控制開關電路的電壓輸出,本系統采用脈寬調制的控制方式調節開關管的工作狀態。8155把單片機的高頻脈沖信號分頻后變成適宜的開關脈沖信號,作為8155的計數脈沖和門控信號,單片機把給定值與傳感器采集的信號進行比較,產生誤差信號,根據電壓控制算法設置8155產生不同占空比(0~90%)的方波信號,經過光電耦合器控制開關調整電路輸出設定的電壓。8155輸出端與開關電路進行光電隔離,防止來自開關電源電路的騷擾信號影響單片機系統的正常工作。鑒于受控的開關電路輸出電壓的高精度和快速調整特性,可采用改進的pid控制算法,它使得電壓調整快,超調量小,性能穩定。
3.4監測和保護系統
為了使智能穩壓電源能可靠、安全地工作,本系統設置了多重監測和保護系統,主要包括過熱保護、過流保護和短路保護,其中過熱保護采用中斷方式控制。單片機系統通過溫度傳感器和電流傳感器檢測開關電路的工作溫度和電源輸出電流,倘若溫度和電流超過給定值,單片機系統就切斷開關電路激勵信號并啟動聲光報警。單片機對短路保護采用電壓和電流雙重檢測,只有當電壓很低,電流很大時才啟動短路保護。
3.5鍵盤及顯示電路
智能穩壓電源的鍵盤與顯示部分裝在儀器操作面板上,由8位led數碼管,3個led指示燈以及16只鍵構成,其中4位數碼管顯示電源電壓,4位數碼管顯示電流,3個燈作為報警顯示。鍵盤與顯示電路通過8155接口電路與8031相接。
4軟件設計
本系統軟件是由一個主程序,兩個中斷服務程序和一個子程序組成,它控制著智能穩壓電源有條不紊地工作。
主程序流程圖如圖4所示。
在初始化過程中,先是將8031各個口復位,然后從eerom中讀出上次關機前存入的數據,控制開關電路,并進行顯示。初始化完成后,開中斷。若有中斷請求則響應,否則進行數據采樣并讀給定值,然后進行數據處理,若有短路或過流情況發生,則調用報警保護子程序,若沒有短路或過流情況發生,則接照電壓控制算法重新設置脈寬,激勵開關電路。兩個中斷服務程序分別是過熱檢測保護報警程序和鍵盤設定程序,子程序是保護報警程序。
5結語
本文所設計的智能穩壓電源不僅能作為常規的科研實驗電源用,而且可以通過軟件編程的方法使穩壓電源產生連續變化的輸出電壓,作為電子產品(如音響功放等)性能(如零點漂移,動態失真等)測試用電源,從而達到一機多用,提高儀器使用效率的目的。


