1. 實驗任務
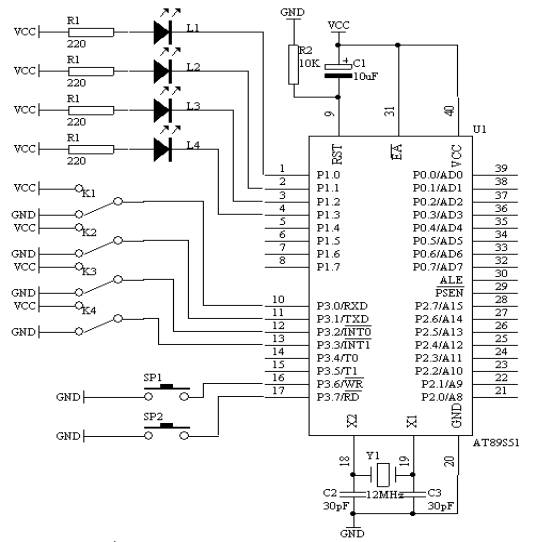
利用AT89S51單片機的P1.0-P1.3接四個發光二極管L1-L4,用來指示當前計數的數據;用P1.4-P1.7作為預置數據的輸入端,接四個撥動開關K1-K4,用P3.6/WR和P3.7/RD端口接兩個輕觸開關,用來作加計數和減計數開關。這樣就實現了可預置可逆4位計數器,具體的電路原理圖如下圖所示
2. 電路原理圖
圖4.12.1
3. 系統板上硬件連線
(1. 把“單片機系統”區域中的P1.0-P1.3端口用8芯排線連接到“八路發光二極管指示模塊”區域中的L1-L4上;要求:P1.0對應著L1,P1.1對應著L2,P1.2對應著L3,P1.3對應著L4;
(2. 把“單片機系統”區域中的P3.0/RXD,P3.1/TXD,P3.2/INT0,P3.3/INT1用導線連接到“四路撥動開關”區域中的K1-K4上;
(3. 把“單片機系統”區域中的P3.6/WR,P3.7/RD用導線連接到“獨立式鍵盤”區域中的SP1和SP2上;
4. 程序設計內容
(1. 兩個獨立式按鍵識別的處理過程;
(2. 預置初值讀取的問題
5. 程序框圖
圖4.12.2
6. 匯編源程序
COUNT EQU 30H
ORG 00H
START: MOV A,P3
ANL A,#0FH
MOV COUNT,A
MOV P1,A
SK2: JB P3.6,SK1
LCALL DELY10MS
JB P3.6,SK1
INC COUNT
MOV A,COUNT
CJNE A,#16,NEXT
MOV A,P3
ANL A,#0FH
MOV COUNT,A
NEXT: MOV P1,A
WAIT: JNB P3.6,WAIT
LJMP SK2
SK1: JB P3.7,SK2
LCALL DELY10MS
JB P3.7,SK2
DEC COUNT
MOV A,COUNT
CJNE A,#0FFH,NEX
MOV A,P3
ANL A,#0FH
MOV COUNT,A
NEX: MOV P1,A
WAIT2: JNB P3.7,WAIT2
LJMP SK2
DELY10MS: MOV R6,#20
MOV R7,#248
D1: DJNZ R7,$
DJNZ R6,D1
RET
END
7. C語言源程序
#include <AT89X51.H>
unsigned char curcount;
void delay10ms(void)
{
unsigned char i,j;
for(i=20;i>0;i--)
for(j=248;j>0;j--);
}
void main(void)
{
curcount=P3 & 0x0f;
P1=~curcount;
while(1)
{
if(P3_6==0)
{
delay10ms();
if(P3_6==0)
{
if(curcount>=15)
{
curcount=15;
}
else
{
curcount++;
}
P1=~curcount;
while(P3_6==0);
}
}
if(P3_7==0)
{
delay10ms();
if(P3_7==0)
{
if(curcount<=0)
{
curcount=0;
}
else
{
curcount--;
}
P1=~curcount;
while(P3_7==0);
}
}
}
}


