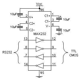
max232是一種把電腦的串行口rs232信號電平(-10 ,+10v)轉換為單片機所用到的TTL信號點平(0 ,+5)的芯片,這個芯片的價格比較貴大約要6元,下面我來介紹一下max232引腳圖以及max232和電腦串口的連接電路,RS232引腳定義。看下面的圖。

RS232引腳定義
引腳 定義 符號
1 載波檢測 DCD
2 接收數據 RXD
3 發送數據 TXD
4 數據終端準備好 DTR
5 信號地 SG
6 數據準備好 DSR
7 請求發送 RTS
8 清除發送 CTS
9 振鈴提示 RI
希望上面的資料對你有用。


