Keil 工程文件的建立、設置與目標文件的獲得
單片機開發中除必要的硬件外,同樣離不開軟件,我們寫的匯編語言源程序要變為 CPU 可以執行的機器碼有兩種方法,一種是手工匯編,另一種是機器匯編,目前已極少使用手工 匯編的方法了。機器匯編是通過匯編軟件將源程序變為機器碼,用于 MCS-51 單片機的匯編 軟件有早期的 A51,隨著單片機開發技術的不斷發展,從普遍使用匯編語言到逐漸使用高級 語言開發,單片機的開發軟件也在不斷發展,Keil 軟件是目前最流行開發 MCS-51 系列單片 機的軟件,這從近年來各仿真機廠商紛紛宣布全面支持 Keil 即可看出。Keil 提供了包括 C 編譯器、宏匯編、連接器、庫管理和一個功能強大的仿真調試器等在內的完整開發方案,通 過一個集成開發環境(uVision)將這些部份組合在一起。運行 Keil 軟件需要 Pentium 或以 上的 CPU,16MB 或更多 RAM、20M 以上空閑的硬盤空間、WIN98、NT、WIN2000、WINXP 等操作系統。掌握這一軟件的使用對于使用 51 系列單片機的愛好者來說是十分必要的,如 果你使用 C 語言編程,那么 Keil 幾乎就是你的不二之選(目前在國內你只能買到該軟件、 而你買的仿真機也很可能只支持該軟件),即使不使用 C 語言而僅用匯編語言編程,其方便 易用的集成環境、強大的軟件仿真調試工具也會令你事半功倍。
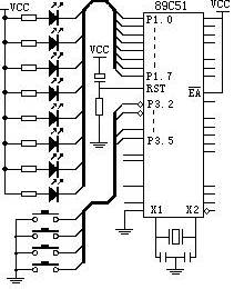
我們將通過一些實例來學習 Keil 軟件的使用,在這一部份我們將學習如何輸入源程序, 建立工程、對工程進行詳細的設置,以及如何將源程序變為目標代碼。圖 1 所示電路圖使用
89C51 單片機作為主芯片,這種單片機性屬于 MCS-51 系列,其內部有 4K 的 FLASH ROM,可以反復擦寫,非常適于做實驗。89C51 的 P1 引腳上接 8 個發光二極管,P3.2~P3.4 引腳上接 4 個按鈕開關,我們的第一個任務是讓接在 P1 引腳上的發光二極管依次循環點亮。
一、Keil 工程的建立
首先啟動 Keil 軟件的集成開發環境,這里假設讀者已正確安裝了該軟件,可以從桌面 上直接雙擊 uVision 的圖標以啟動該軟件。
UVison 啟動后,程序窗口的左邊有一個工程管理窗口,該窗口有 3 個標簽,分別是Files、Regs、和 Books,這三個標簽頁分別顯示當前項目的文件結構、CPU 的寄存器及部份特殊 功能寄存器的值(調試時才出現)和所選 CPU 的附加說明文件,如果是第一次啟動 Keil, 那么這三個標簽頁全是空的。
1、源文件的建立
|
|
MOV A,#0FEH MAIN: MOV P1,A
RL A LCALL DELAY AJMP MAIN
DELAY: MOV R7,#255
D1: MOV R6,#255
DJNZ R6,$ 圖 1 簡單的鍵盤、顯示板
END
DJNZ R7,D1
RET
保存該文件,注意必須加上擴展名(匯編語言源程序一般用 asm 或 a51 為擴展名),這里假定將文件保存為 exam1.asm。
需要說明的是,源文件就是一般的文本文件,不一定使用 Keil 軟件編寫,可以使用任意 文本編緝器編寫,而且,Keil 的編緝器對漢字的支持不好,建議使用 UltraEdit 之類的編緝 軟件進行源程序的輸入。
2、建立工程文件
在項目開發中,并不是僅有一個源程序就行了,還要為這個項目選擇 CPU(Keil 支持數 百種 CPU,而這些 CPU 的特性并不完全相同),確定編譯、匯編、連接的參數,指定調試 的方式,有一些項目還會有多個文件組成等,為管理和使用方便,Keil 使用工程(Project) 這一概念,將這些參數設置和所需的所有文件都加在一個工程中,只能對工程而不能對單一 的源程序進行編譯(匯編)和連接等操作,下面我們就一步一步地來建立工程。
|
|
(設為 exam1),不需要擴展名。點擊“保 存”按鈕,出現第二個對話框,如圖 2
所示,這個對話框要求選擇目標 CPU(即 你所用芯片的型號),Keil 支持的 CPU 很多,我們選擇 Atmel 公司的 89C51 芯 片。點擊 ATMEL 前面的“+”號,展開
該層,點擊其中的 89C51,然后再點擊
“確定”按鈕,回到主界面,此時,在 工程窗口的文件頁中,出現了“Target
1”,前面有“+”號,點擊“+”號展開,
可以看到下一層的“ Source Group1”,這 時的工程還是一個空的工程,里面什么
文件也沒有,需要手動把剛才編寫好的
源程序加入,點擊“Source Group1”使 其反白顯示,然后,點擊鼠標右鍵,出現一個下 拉菜單,如圖 3 所示。選中其中的“Add file to Group”Source Group1”,出現一個對話框,要求 尋找源文件,注意,該對話框下面的“文件類型” 默認為 C source file(*.c),也就是以 C 為擴展名 的文件,而我們的文件是以 asm 為擴展名的, 所以在列表框中找不到 exam1.asm,要將文件類 型改掉,點擊對話框中“文件類型”后的下拉列 表,找到并選中“Asm Source File(*.a51,*.asm), 這樣,在列表框中就可以找到 exam1.asm 文件 了。
雙擊 exam1.asm 文件,將文件加入項目,注
圖 2 選擇目標 CPU
圖 3 加入文件
意,在文件加入項目后,該對話框并不消
失,等待繼續加入其它文件,但初學時常 會誤認為操作沒有成功而再次雙擊同一文 件,這時會出現如圖 4 所示的對話框,提 示你所選文件已在列表中,此時應點擊“確 定”,返回前一對話框,然后點擊“Close” 即可返回主界面,返回后,點擊“Source Group 1”前的加號,會發現 exam1.asm 文 件已在其中。雙擊文件名,即打開該源程 序。
二、工程的詳細設置
圖 4 重復加入文件的錯誤
工程建立好以后,還要對工程進行進一步的設置,以滿足要求。
首先點擊左邊 Project 窗口的 Target 1,然后使用菜單“Project->Option for target ‘target1’” 即出現對工程設置的對話框,這個對話框可謂非常復雜,共有 8 個頁面,要全部搞清可不容 易,好在絕大部份設置項取默認值就行了。
|
|
圖 5 所示,Xtal 后面的數值是晶振頻 率值,默認值是所選目標 CPU 的最高 可用頻率值,對于我們所選的 AT89C51 而言是 24M,該數值與最終
產生的目標代碼無關,僅用于軟件模
擬調試時顯示程序執行時間。正確設 置該數值可使顯示時間與實際所用時間一致,一般將其設置成與你的硬件
圖 5 對目標進行設置
所用晶振頻率相同,如果沒必要了解程序執行的時間,也可以不設,這里設置為 12。
Memory Model 用于設置 RAM 使用情況,有三個選擇項,Small 是所有變量都在單片 機的內部 RAM 中;Compact 是可以使用一頁外部擴展 RAM,而 Larget 則是可以使用全部 外部的擴展 RAM。Code Model 用于設置 ROM 空間的使用,同樣也有三個選擇項,即 Small 模式,只用低于 2K 的程序空間;Compact 模式,單個函數的代碼量不能超過 2K,整個程序 可以使用 64K 程序空間;Larget 模式,可用全部 64K 空間。Use on-chip ROM 選擇項,確認
是否僅使用片內 ROM(注意:選中該項并不會影響最終生成的目標代碼量);Operating 項
是操作系統選擇,Keil 提供了兩種操作系統:Rtx tiny 和 Rtx full,關于操作系統是另外一個 很大的話題了,通常我們不使用任何操作系統,即使用該項的默認值:None(不使用任何 操作系統);Off Chip Code memory 用以確定系統擴展 ROM 的地址范圍,Off Chip xData memory 組用于確定系統擴展 RAM 的地址范圍,這些選擇項必須根據所用硬件來決定,由 于該例是單片應用,未進行任何擴展,所以均不重新選擇,按默認值設置。
設置對話框中的 OutPut 頁面,如圖 6 所示,這里面也有多個選擇項,其中 Creat Hex file 用于生成可執行代碼文件(可以用編程器寫入單片機芯片的 HEX 格式文件,文件的擴展名 為.HEX),默認情況下該項未被選中,如果要寫片做硬件實驗,就必須選中該項,這一點是 初學者易疏忽的,在此特別提醒注意。選中 Debug information 將會產生調試信息,這些信 息用于調試,如果需要對程序進行調試,應當選中該項。Browse information 是產生瀏覽信 息,該信息可以用菜單 view->Browse 來查看,這里取默認值。按鈕“ Select Folder for objects ”
是用來選擇最終的目標文件所在的
文件夾,默認是與工程文件在同一 個文件夾中。Name of Executable 用 于指定最終生成的目標文件的名 字,默認與工程的名字相同,這兩 項一般不需要更改。
工程設置對話框中的其它各頁 面與 C51 編譯選項、A51 的匯編選 項、BL51 連接器的連接選項等用法 有關,這里均取默認值,不作任何
圖 6 對輸出進行控制
修改。以下僅對一些有關頁面中常用的選項作一個簡單介紹。
Listing 標簽頁用于調整生成的列表文件選項。在匯編或編譯完成后將產生(*.lst)的列 表文件,在連接完成后也將產生(*.m51)的列表文件,該頁用于對列表文件的內容和形式 進行細致的調節,其中比較常用的選項是“C Compile Listing”下的“Assamble Code”項, 選中該項可以在列表文件中生成 C 語言源程序所對應的匯編代碼。
|
|
第 8 級,一般不必修改,如果在編
譯中出現一些問題,可以降低優化 級別試一試。Emphasis 是選擇編 譯優先方式,第一項是代碼量優化
(最終生成的代碼量小);第二項 是速度優先(最終生成的代碼速度快);第三項是缺省。默認的是速 度優先,可根據需要更改。
圖 7 代碼生成控制
設置完成后按確認返回主界面,工程文件建立、設置完畢。
三、編譯、連接
|
|
對當前工程中的所有文件重新進行編
譯然后再連接,確保最終生產的目標 代碼是最新的,而 Translate … .項則僅 對該文件進行編譯,不進行連接。
以上操作也可以通過工具欄按鈕直 接進行。圖 8 是有關編譯、設置的工具
欄按鈕,從左到右分別是:編譯、編譯
連接、全部重建、停止編譯和對工程進 行設置。
編譯過程中的信息將出現在輸出窗 口中的 Build 頁中,如果源程序中有語
圖 8 有關編譯、連接、項目設置的工具條
圖 9 正確編譯、連接之后的結果
法錯誤,會有錯誤報告出現,雙擊該行,可以定位到出錯的位置,對源程序反復修改之后, 最終會得到如圖 9 所示的結果,提示獲得了名為 exam1.hex 的文件,該文件即可被編程器讀 入并寫到芯片中,同時還產生了一些其它相關的文件,可被用于 Keil 的仿真與調試,這時 可以進入下一步調試的工作。









