上一篇學習了 KEIL c 單片機c語言 編譯器所支持的數據類型。而這些c51數據類型又是怎么用在常量和變量的定義中的呢?又有什么要注意的嗎?常量就是在程序運行過程中不能改變值的量,而變量是能在程序運行過程中不斷變化的量。變量的定義能使用所有c51編譯器支持的數據類型,而常量的數據類型只有整型、浮點型、字符型、字符串型和位標量。這一篇學習常量定義和使用方法,而下一篇則學習單片機c語言的變量。
常量的數據類型說明是這樣的
1. 整型常量能表示為十進制如 123,0,-89 等。十六進制則以 0x 開頭如 0x34,-0x3B 等。長整型就在數字后面加字母 L,如 104L,034L,0xF340 等。
2. 浮點型常量可分為 十進 制和指數表示形式 。十 進制由數字和小數點組成,如0.888,3345.345,0.0 等,整數或小數部分為 0,能省略但必須有小數點。指數表 示形式為[±]數字[.數字]e[±]數字,[]中的內容為可選項,其中內容根據具體情 況可有可無,但其余部分必須有,如125e3,7e9,-3.0e-3。
3. 字符型常量是單引號內的字符,如‘a’,‘d’等,不能顯示的控制字符,能 在該字符前面加一個反斜杠“\”組成專用轉義字符。常用轉義字符表請看表 4-1。
4. 字符串型常量由雙引號內的字符組成,如“test”,“OK”等。當引號內的沒有字 符時,為空字符串。在使用特殊字符時同樣要使用轉義字符如雙引號。在 C 中字符 串常量是做為字符類型數組來處理的,在存儲字符串時系統會在字符串尾部加上\o 轉義字符以作為該字符串的結束符。字符串常量“A”和字符常量‘A’是不一樣的, 前者在存儲時多占用一個字節的字間。
5. 位標量,它的值是一個二進制。
|
轉義字符 |
含義 |
ASCII 碼(16/10 進制) |
|
\o |
空字符(NULL) |
00H/0 |
|
\n |
換行符(LF) |
0AH/10 |
|
\r |
回車符(CR) |
0DH/13 |
|
\t |
水平制表符(HT) |
09H/9 |
|
\b |
退格符(BS) |
08H/8 |
|
\f |
換頁符(FF) |
0CH/12 |
|
\' |
單引號 |
27H/39 |
|
\" |
雙引號 |
22H/34 |
|
\\ |
反斜杠 |
5CH/92 |
表 4-1 常用轉義字符表
常量可用在不必改變值的場合,如固定的數據表,字庫等。常量的定義方式有幾種,下 面來加以說明。
#difine False 0x0; //用預定義語句能定義常量
#difine True 0x1; //這里定義 False 為 0,True 為 1
//在程序中用到 False 編譯時自動用 0 替換,同理 True 替換為 1
unsigned int code a=100; //這一句用 code 把 a 定義在程序存儲器中并賦值
const unsigned int c=100; //用 const 定義 c 為無符號 int 常量并賦值 以上兩句它們的值都保存在程序存儲器中,而程序存儲器在運行中是不允許被修改的,
所以如果在這兩句后面用了類似 a=110,a++這樣的賦值語句,編譯時將會出錯。
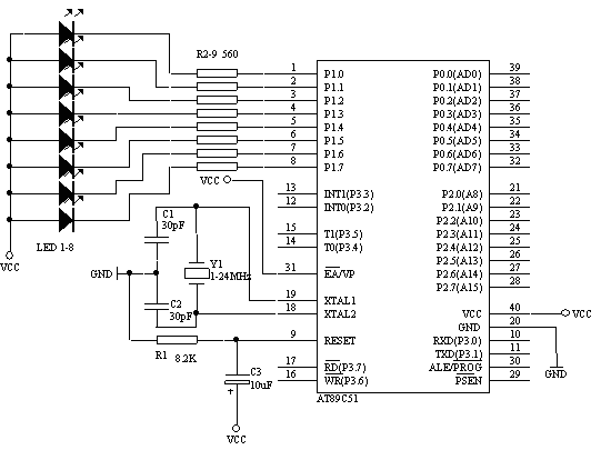
下面寫個跑馬燈程序來實驗一下典型的常量使用方法。先來看看電路圖吧。它是在上一篇的
實驗電路的基礎上增加幾個 LED 組成的,也就是用 P1 口的全部引腳分別驅動一個 LED,電 路如圖 4-1 所示。
新建一個 RunLED 的項目,主程序如下:
#include <AT89X51.H> //預處理文件里面定義了特殊寄存器的名稱如 P1 口定義為 P1
void main(void)
{
//定義花樣數據
const unsigned char design[32]={0xFF,0xFE,0xFD,0xFB,0xF7,0xEF,0xDF,0xBF,0x7F,
0x7F,0xBF,0xDF,0xEF,0xF7,0xFB,0xFD,0xFE,0xFF,
0xFF,0xFE,0xFC,0xF8,0xF0,0xE0,0xC0,0x80,0x0,
0xE7,0xDB,0xBD,0x7E,0xFF};
unsigned int a; //定義循環用的變量
unsigned char b; //在 c51 編程中因內存有限盡可能注意變量類型的使用
//盡可能使用少字節的類型,在大型的程序中很受用
do{
for (b=0; b<32; b++)
{
}
}while(1);
}
for(a=0; a<30000; a++); //延時一段時間
P1 = design[b]; //讀已定義的花樣數據并寫花樣數據到 P1 口
程序中的花樣數據能自以去定義,因這里我們的 LED 要 AT89c51 的 P1 引腳為低電平才 會點亮,所以我們要向 P1 口的各引腳寫數據 O 對應連接的 LED 才會被點亮,P1 口的八個引 腳剛好對應 P1 口特殊寄存器的八個二進位,如向 P1 口定數據 0xFE,轉成二進制就是
11111110,最低位 D0 為 0 這里 P1.0 引腳輸出低電平,LED1 被點亮。如此類推,大家不難算 出自己想要做的效果了。大家編譯燒寫看看,效果就出來,顯示的速度您能根據需要調整 延時 a 的值,不要超過變量類型的值域就很行了。哦,您還沒有實驗板?那如何能知道程 序運行的結果呢?呵,不用急,這就來說說用 KEIL uVision2 的軟件仿真來調試 IO 口輸出輸入程序。
圖 4-1 八路跑馬燈電路 編譯運行上面的程序,然后按外部設備菜單 Peripherals-I/O Ports-Port1 就打開
Port1 的調試窗口了,如圖 4-3 中的 2。這個時候程序運行了,但我們并不能在 Port1 調試窗口 上看到有會什么效果,這個時候能用鼠標左擊圖 4-3 中 1 旁邊綠色的方條,點一下就有一個 小紅方格再點一下又沒有了,哪一句語句前有小方格程序運行到那一句時就停止了,就是設 置調試斷點,同樣圖 4-2 中的 1 也是同樣功能,分別是增加/移除斷點、移除所有斷點、允 許/禁止斷點、禁止所有斷點,菜單也有一樣的功能,另外菜單中還有 Breakpoints 可打開 斷點設置窗口它的功能更強大,不過這里先不用它。在“P1 = design[b];”這一句設置一 個斷點這個時候程序運行到這里就停住了,再留意一下 Port1 調試窗口,再按圖 5-2 中的 2 的運 行鍵,程序又運行到設置斷點的地方停住了,這個時候 Port1 調試窗口的狀態又不一樣了。也就是說 Port1 調試窗口模擬了 P1 口的電平狀態,打勾為高電平,不打勾則為低電平,窗口中 P1
為 P1 寄存器的狀態,Pins 為引腳的狀態,注意的是如果是讀引腳值之前必須把引腳對應的 寄存器置 1 才能正確讀取。圖 4-2 中 2 旁邊的{}樣的按鈕分別為單步入,步越,步出和 執行到當前行。圖中 3 為顯示下一句將要執行的語句。圖 4-3 中的 3 是 Watches 窗口可查 看各變量的當前值,數組和字串是顯示其頭一個地址,如本例中的 design 數組是保存在 code 存儲區的首地址為 D:0x08,能在圖中 4 Memory 存儲器查看窗口中的 Address 地址中打入 D:0x08 就能查看到 design 各數據和存放地址了。如果你的 uVision2 沒有顯示這些窗口, 能在 View 菜單中打開在圖 4-2 中 3 后面一欄的查看窗口快捷欄中打開。



