前面學習了大部分的基本語法,以下所要學習的各種基本語句的語法能說是組成程序的靈魂。在前面的課程中的例子里,也簡單理解過一些語句的使用方法,能看出C語言是一種結構化的程序設計語言。C 語言供給了相當豐富的程序控制語句。學習掌握這些語句的使用方法也是單片機C語言學習中的重點。
表達式語句是最基本的一種語句。不一樣的程序設計語言都會有不一樣的表達式語句,如VB就是在表達式后面加入回車就構成了VB 的表達式語句,而在51單片機的C語言中則是加入分號“;”構成表達式語句。舉例如下:
b = b * 10; Count++;
X = A;Y = B;
Page = (a+b)/a-1;
以上的都是合法的表達式語句。在我收到的一些網友的 Email 中,發現很多開始學習的朋友一般在編寫調試程序時忽略了分號“;”,造成程序不能被正常的編譯。我本人的經驗是在遇 到編譯錯誤時先語法是否有誤,這在開始學習時一般會因在程序中加入了全角符號、運算符打錯 漏掉或沒有在后面加“;”。
在 C 語言中有一個特殊的表達式語句,稱為空語句,它僅僅是由一個分號“;”組成。 有時候為了使語法正確,那么就要求有一個語句,但這個語句又沒有實際的運行效果那么這 時就要有一個空語句。說起來就像大家在晚自修的時候用書包占位一樣,呵呵。
空語句通常用會以下兩種使用方法。
(1)while,for 構成的循環語句后面加一個分號,形成一個不執行其它操作的空循環體。 我會會常常用它來寫等待事件發生的程序。大家要注意的是“;”號作為空語句使用時,要 與語句中有效組成部分的分號相區別,如 for (;a<50000;a++);第一個分號也應該算是 空語句,它會使 a 賦值為 0(但要注意的是如程序前有 a 值,則 a 的初值為 a 的當前值),最后一個分號則使整個語句行成一個空循環。若此時 a=0,那么 for (;a<50000;a++);就相當
于 for (a=0;a<50000;a++);我本人習慣是寫后面的寫法,這樣能使人更不難讀明白。 (2)在程序中為有關語句供給標號,標記程序執行的位置,使相關語句能跳轉到要執行
的位置。這會用在 goto 語句中。
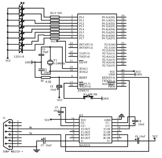
下面的示例程序是簡單說明 while 空語句的使用方法。硬件的功能很簡單,就是在 P3.7 上 接一個開關,當開關按下時 P1 上的燈會全亮起來。當然實際應用中按鈕的功能實現并沒有 這么的簡單,一般還要進行防抖動處理等。
先在我們的實驗板上加一個按鈕。電路圖如圖 10-1。
程序如下:
#include <AT89x51.h>
void main(void)
{
圖 10-1 加了按鈕的實驗電路圖
unsigned int a;
do
{
P1 = 0xFF; //關閉 P1 上的 LED
while(P3_7); //空語句,等待 P3_7 按下為低電平,低電平時執行下面的語句 P1 = 0; //點亮 LED
for(;a<60000;a++); //這也是空語句的使用方法,注意 a 的初值為當前值
} //這樣第一次按下時會有一延時點亮一段時間,以后按多久就亮多久
while(1); //點亮一段時間后關閉再次判斷 P3_7,如此循環
}
上面的實驗電路已加入了 RS232 串行口電路,只要稍微改變一下,就能變為具有仿真功能的 實驗電路。這個改變的關鍵就是把芯片改用 SST89C58,并在芯片中燒入仿真監控程序。 SST89C58 同樣也是一種 51 架構的單片機,它具有 24K+8K 的兩個程序存儲區,能選擇其 一做為程序的啟動區。只要把一個叫 SOFTICE.HEX 的監控程序用支持 SST89C58 的編程器燒 錄到芯片中(使用編程器或用 CA 版的 SST89C58 燒錄 SOFTICE 的具體方法和文件能參考 ),就 能把上 面 的電路升級為
MON51 仿真實驗器。那么怎么用它和 KEIL 實現聯機仿真呢?
圖 10-2 項目設置菜單
圖 10-3 項目設置 首先要在你要仿真的程序項目設置仿真器所使用的驅動,在 Debug 頁中選擇對應本仿真器的 KeilMon51 驅 動,如圖 10 中 1 所示。圖 10-3 的 3 是選擇在仿真時能使用的工具窗口,如內存顯示,斷點等等。按 2 進 行圖 10-4 中的仿真器設置。設置好串行口號,波特率,晶體震蕩器為 11.0592M 時選 38400。Cache Options 為仿真 緩選取后會加快仿真的運行的速度。設好后編譯運行程序就能連接仿真器了,連接成功會出現如圖 10-
5 的畫面。如連接不成功就出現圖 10-6 的圖,這個時候能先復位電路再按"Try Again",還不成功連接的話則 應檢查軟件設置和硬件電路。圖 10-5 中 1 是指示仿真器的固件版本為 F-MON51V3.4 版。點擊 3 中小紅 點位置時為設置和取消斷點,點擊 2 則運行到下一個斷點。圖 10-7 則是變量和存儲器的查看。仿真器在
軟件大概的使用方法和軟件仿真相差不多。
圖 10-4 仿真器設置







